您好,欢迎光临星空娱乐版本大全!

咨询服务热线

0379-63086299

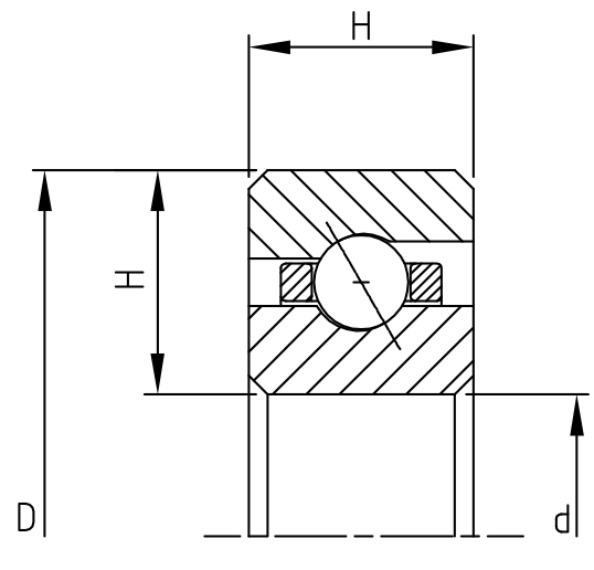
公制等截面薄壁角接触球轴承

  • 公制等截面薄壁角接触球轴承 A型角接触球轴承与C型轴承不同之处在于A型轴承有足够的径向游隙,能形成足够的接触角来承受轴向载荷。由于具有单向载荷能力,该轴承需要与其它轴承对称配对安装,以设定并保证接触角,同时在受到交变的轴向载荷时使其轴向运动最小。...
立即咨询
全国热线0379-63086299

详情介绍

 公制等截面薄壁角接触球轴承
       A型角接触球轴承与C型轴承不同之处在于A型轴承有足够的径向游隙,能形成足够的接触角来承受轴向载荷。由于具有单向载荷能力,该轴承需要与其它轴承对称配对安装,以设定并保证接触角,同时在受到交变的轴向载荷时使其轴向运动最小。

公制角接触球.png

1.png

2.png

推荐产品


Copyright © 2005-2025 星空娱乐版本大全 版权所有 备案号:豫ICP备10000262号

豫公网安备 41032202000136号

扫一扫咨询微信客服
0379-63086299
  • 微信号:18837917076微信二维码

Baidu
xk-星空体育