

精密转盘轴承依照滚动体结构,分为交叉滚子转盘轴承与四点接触球转盘轴承两个系列,依照齿轮形式,可分为不带齿圈、带内齿、带外齿三个类型,可以安装密封、配注油油杯、小范围调整游隙力矩大小、精度能达到P5/P4/P2等级,以适应各种类型的工况需求。
我司支持外径20mm到外径2000mm范围内,各种类型高精度轴承非标定制化设计加工,常年与多家高等院校、机械机床公司、机械研究所、科研机构合作,进行重大设备的联合开发,协助客户试样与批量生产。
转盘轴承可以同时承受较大径向负荷、轴向负荷和倾覆力矩等综合载荷,集支承、旋转、传动、固定等多种功能与一体,且结构紧凑、安装简便、维护方便,通常用于重载低速的场合,例如起重机械、挖掘机、回转台、风力发电机、天文望远镜和坦克炮塔等装置,应用十分广泛。
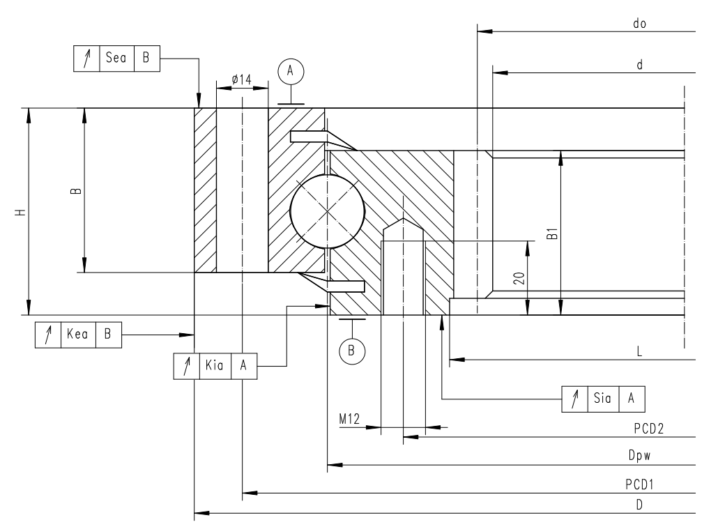
HVSI系列内齿圈四点接触球转盘轴承
![[TE[9`735OW{MWF7]EGX[K8.png](http://m.analisec.com/www/uploads/allimg/20221020/1-22102014114S51.png)

