您好,欢迎光临星空娱乐版本大全!

咨询服务热线

0379-63086299

CSG(CSF)型谐波减速器轴承

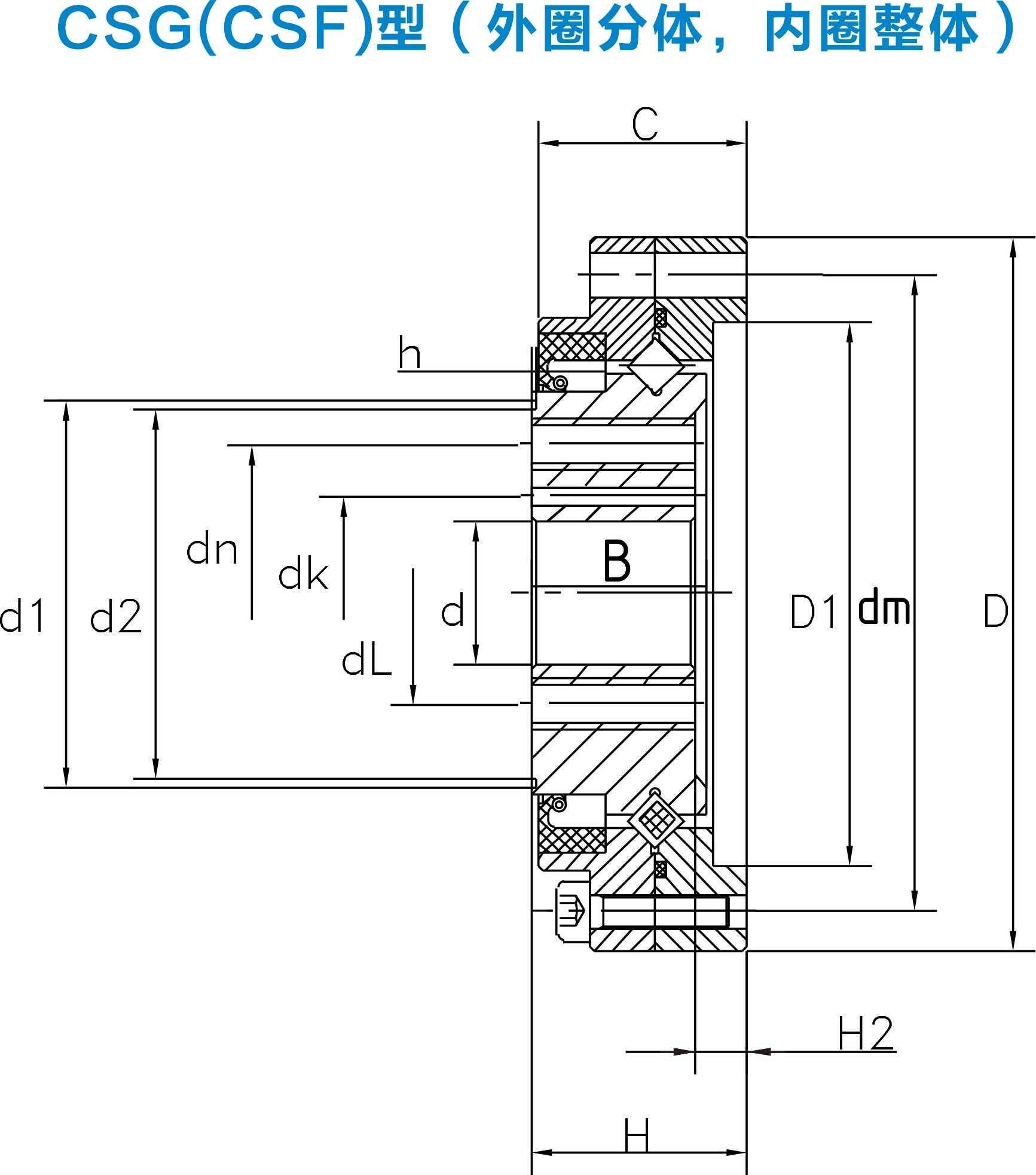
  • 谐波减速器轴承包括刚性轴承和柔性轴承两大类型,刚性轴承包含四种系列,CSG系列、SHG系列,其命名方式采用减速器的命名;柔性轴承的命名为HYR。产品名称:CSG(CSF)系列 介绍:外圈被分成两片,内圈为整体结构,安装时不需要法兰和轴承座,主要应用在CSG和CSF系列的各类减速器输出部位。参数:...
立即咨询
全国热线0379-63086299

详情介绍

谐波减速器轴承包括刚性轴承和柔性轴承两大类型,刚性轴承包含四种系列,CSG系列、SHG系列,其命名方式采用减速器的命名;柔性轴承的命名为HYR。
产品名称:CSG(CSF)系列
        介绍:外圈被分成两片,内圈为整体结构,安装时不需要法兰和轴承座,主要应用在CSG和CSF系列的各类减速器输出部位。

参数:

图纸1.jpg

尺寸1.jpg

尺寸2.jpg

推荐产品


Copyright © 2005-2025 星空娱乐版本大全 版权所有 备案号:豫ICP备10000262号

豫公网安备 41032202000136号

扫一扫咨询微信客服
0379-63086299
  • 微信号:18837917076微信二维码

Baidu
xk-星空体育