您好,欢迎光临星空娱乐版本大全!

咨询服务热线

0379-63086299

推力球轴承

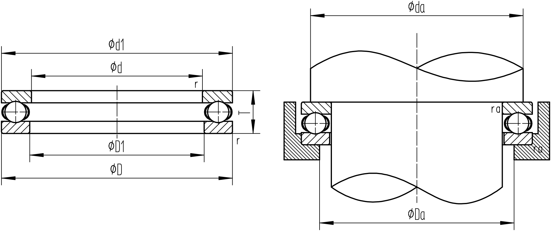
  • 推力球轴承由轴圈、底圈、球和保持架组件构成。此类轴承是可分离轴承,即球和保持架组件与垫圈可以分别安装。推力球轴承有单向轴承和双向轴承两种设计,二者都可承受很高的轴向力但不能承受径向力。...
立即咨询
全国热线0379-63086299

详情介绍

推力球轴承由轴圈、底圈、球和保持架组件构成。此类轴承是可分离轴承,即球和保持架组件与垫圈可以分别安装。

推力球轴承有单向轴承和双向轴承两种设计,二者都可承受很高的轴向力但不能承受径向力。

推力球.png

1.png

2.png

3.png

推荐产品


Copyright © 2005-2025 星空娱乐版本大全 版权所有 备案号:豫ICP备10000262号

豫公网安备 41032202000136号

扫一扫咨询微信客服
0379-63086299
  • 微信号:18837917076微信二维码

Baidu
xk-星空体育